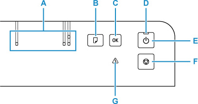
Kontrolpanel

- A: Papir (Paper)-lampe
- Lyser, afhængigt af den aktuelle papirstørrelse.
- B: Knappen Valg af papir (Paper Select)
- Tryk for at skifte papirstørrelse.
- C: OK-knap
- Afslutter valget af papirstørrelse. Bruges også til at løse fejl.
- D: TIL (ON)-lampen
- Lyser efter at have blinket, når strømmen tændes.
- E: Knappen TIL (ON)
-
Tænder og slukker for strømmen.
- F: Stop-knap
- Annullerer handlingen, når udskrivningen er i gang, eller når der vælges et menupunkt.
- G: Alarm-indikator
- Tændes eller blinker, når der opstår en fejl.

